
Products
LVDT's -Linear Variable Differential Transformer-
LVDT差動トランス

変位を測定する方法として、差動トランス(LVDT)は、ほとんどの産業用途で広く普及しているトランスデューサーです。LVDT差動トランスは、実験室での寸法測定をはじめ、様々な産業用監視・制御アプリケーションで使用され、変位測定に使用されるLVDT差動トランスの技術は、他の種類のトランスデューサーにも応用できます。
MonitranのLVDT差動トランスはステンレス鋼製で、IP68を含むほとんどのIPレベルに適合する防水性能を備えています。堅牢な構造とシンプルな動作原理により、高い信頼性と精度を実現しています。
LVDT差動トランス シリーズ一覧
スワイプしてご覧ください →
| シリーズ | 使用温度範囲 | 防水性 | 出力信号 | コアタイプ | ストローク |
|---|---|---|---|---|---|
| 工業用シリーズ | -30℃~+85℃ | IP65 (オプション:IP68) |
AC出力
*外部信号変換ユニット によりDC出力可 バイポーラDC出力 0-5VDC出力 0-10VDC出力 4-20mADC出力 |
プレーンコア&エクステンション | ±0.5mm~ ±550mm |
| スプリングロードコア &エクステンション |
±0.5mm~ ±125mm |
||||
| コア&ベアリングロッドエンド | ±0.5mm~ ±550mm |
||||
| -30℃~+150℃ (オプション:200℃) |
IP65 |
AC出力 *外部信号変換ユニット によりDC出力可 |
プレーンコア&エクステンション | ±0.5mm~ ±550mm |
|
| ミニチュアシリーズ | -30℃~+85℃ | IP55 |
AC出力 *外部信号変換ユニット によりDC出力可 |
プレーンコア
プレーンコア&エクステンション
スプリングロードコア
&エクステンション |
±0.25mm~ ±50mm |
| -30℃~+150℃ (オプション:200℃) |
IP55 |
AC出力 *外部信号変換ユニット によりDC出力可 |
プレーンコア
プレーンコア&エクステンション
スプリングロードコア
&エクステンション |
±0.25mm~ ±50mm |
|
| 耐圧シリーズ (スタンダード) |
-30℃~+85℃ | IP55 |
AC出力
*外部信号変換ユニット によりDC出力可 バイポーラDC出力 0-5VDC出力 0-10VDC出力 4-20mADC出力 |
プレーンコア&エクステンション | ±25mm~ ±500mm |
| -30℃~+150℃ (オプション:200℃) |
IP55 |
AC出力 *外部信号変換ユニット によりDC出力可 |
プレーンコア&エクステンション | ±25mm~ ±500mm |
|
| 耐圧シリーズ (スリムタイプ) |
-30℃~+85℃ | IP55 |
AC出力
*外部信号変換ユニット によりDC出力可 バイポーラDC出力 0-5VDC出力 0-10VDC出力 4-20mADC出力 |
プレーンコア&エクステンション | ±25mm~ ±300mm |
| -30℃~+150℃ (オプション:200℃) |
IP55 |
AC出力 *外部信号変換ユニット によりDC出力可 |
プレーンコア&エクステンション | ±25mm~ ±300mm |
|
| DCラボラトリー シリーズ |
-30℃~+85℃ | IP55 | バイポーラDC出力 |
プレーンコア&エクステンション
スプリングロードコア
&エクステンション |
±2.5mm~ ±75mm |
| 0-5VDC出力 |
プレーンコア&エクステンション
スプリングロードコア
&エクステンション |
±2.5mm~ ±100mm |
|||
| 0-10VDC出力 | |||||
| 4-20mADC出力 |
LVDT差動トランス/工業用シリーズ
工業用シリーズは、プラントの過酷な環境にも耐えられるように設計されています。堅牢な構造には、標準でステンレススチール製のハウジング、IP65(IP68防水オプション)が提供されます。
測定範囲は±0.5mmから±550mm、直線性は±0.5%未満です。高温仕様(150℃または200℃)、直線性向上、ロッドワイパー、ロッドエンドベアリング、スプリング式コア&エクステンションなどのオプションもご用意しています。出力は、AC、DCバイポーラ、0~5V、0~10V、4~20mAです。高温環境での使用が必要な場合は、信号変換ボックス(MTN/8100シリーズ)をケーブル間に取り付け対応できます。
工業用シリーズ AC出力LVDT差動トランス
スワイプしてご覧ください →
| コア&エクステンション種類 | ストローク(mm) |
|---|---|
| プレーンコア &エクステンション |
±0.5 ±2.5 ±3.5 ±5 ±10 ±12.5 ±15 ±25 ±50 ±75 ±100 ±125 ±150 ±175 ±200 ±250 ±300 ±400 ±500 ±550 |
| スプリングロードコア &エクステンション |
±0.5 ±2.5 ±3.5 ±5 ±10 ±12.5 ±15 ±25 ±50 ±75 ±100 ±125 |
| コア &ベアリングロッドエンド |
±0.5 ±2.5 ±3.5 ±5 ±10 ±12.5 ±15 ±25 ±50 ±75 ±100 ±125 ±150 ±175 ±200 ±250 ±300 ±400 ±500 ±550 |
| *例)±550は0-1100mmで計測可 |
スワイプしてご覧ください →
| 仕様表(テクニカル仕様) | スタンダード | オプション |
|---|---|---|
| エクステンションロッド保護 | スタンダードガイドコア&エクステンション | ガイドコア&エクステンションロッドワイパー |
| 供給電源 | 5V RMS @ 3kHz | ー |
| 非直線性 | ±0.5% フルレンジ | ±0.25% フルレンジ |
| 再現性 | ±0.1% 以下 | ー |
| 出力感度 | 50~460 mV/V/fro(ストロークによる) | ー |
| 使用温度範囲 | -30℃~+85℃ | -30℃~+150℃(200℃) |
| 本体材質 | ステンレススチール | ー |
| 防水性 | IP65 | IP68 |
| ケーブル種類 |
4芯PVCケーブル 6芯PVCケーブル |
4芯PTFEケーブル(85℃~150℃または200℃) 6芯PTFEケーブル(85℃~150℃または200℃) アーマードケーブル |
| ケーブル長さ | 2m | 指定ケーブル長さ |
| ケーブル引き出し方向 | 本体側面から引き出し | 本体後ろ方向から引き出し |
工業用シリーズ AC出力LVDT差動トランス
寸法外形図/データシート
AC出力LVDT差動トランス用信号変換ユニットMTN/8100シリーズ
AC出力LVDT差動トランス用信号変換ユニットMTN/8100シリーズは、ケーブル間に設置するフライングタイプの信号変換ユニットです。
LVDT設置環境が高温や過酷な条件の場合は、LVDTケーブル引き出しから0.5m位置に信号変換ユニットを設置し、LVDTへの供給電源24VDCで信号出力0-5VDC、0-10VDC、4-20mADCの出力信号を得ることができます。
スワイプしてご覧ください →
| MTN/8100シリーズ型式 | 供給電源 | 信号出力 | 形状 | 備考 |
|---|---|---|---|---|
| MTN/8101 | 24VDC | 0-5VDC | 25×40×13mm |
フライングタイプポッティングボックス LVDTケーブル引き出しよりケーブル0.5m位置に設置 |
| MTN/8107 | 4-20mADC | |||
| MTN/8108 | 0-10VDC |
工業用シリーズ
DC出力LVDT差動トランス
スワイプしてご覧ください →
| コア&エクステンション種類 | ストローク(mm) |
|---|---|
| プレーンコア &エクステンション |
±0.5 ±2.5 ±3.5 ±5 ±10 ±12.5 ±15 ±25 ±50 ±75 ±100 ±125 ±150 ±175 ±200 ±250 ±300 ±400 ±500 ±550 |
| スプリングロードコア &エクステンション |
±0.5 ±2.5 ±3.5 ±5 ±10 ±12.5 ±15 ±25 ±50 ±75 ±100 ±125 |
| コア &ベアリングロッドエンド |
±0.5 ±2.5 ±3.5 ±5 ±10 ±12.5 ±15 ±25 ±50 ±75 ±100 ±125 ±150 ±175 ±200 ±250 ±300 ±400 ±500 ±550 |
| *例)±550は0-1100mmで計測可 |
スワイプしてご覧ください →
| 仕様表(テクニカル仕様) | スタンダード | オプション |
|---|---|---|
| エクステンションロッド保護 | スタンダードガイドコア&エクステンション | ガイドコア&エクステンションロッドワイパー |
| 供給電源 | 9-24VDC | ー |
| 非直線性 | ±0.5% フルレンジ | ±0.25% フルレンジ |
| 再現性 | ±0.1% 以下 | ー |
| 信号出力 |
バイポーラDC 0-5VDC 0-10VDC 4-20mADC |
ー |
| 使用温度範囲 | -30℃~+85℃ | ー |
| 本体材質 | ステンレススチール | ー |
| 防水性 | IP65 | IP68 |
| ケーブル種類 |
4芯PVCケーブル(バイポーラDC出力) 3芯PVCケーブル(0-5VDC, 0-10VDC, 4-20mADC出力) |
アーマードケーブル |
| ケーブル長さ | 2m | 指定ケーブル長さ |
| ケーブル引き出し方向 | 本体側面から引き出し | 本体後ろ方向から引き出し |
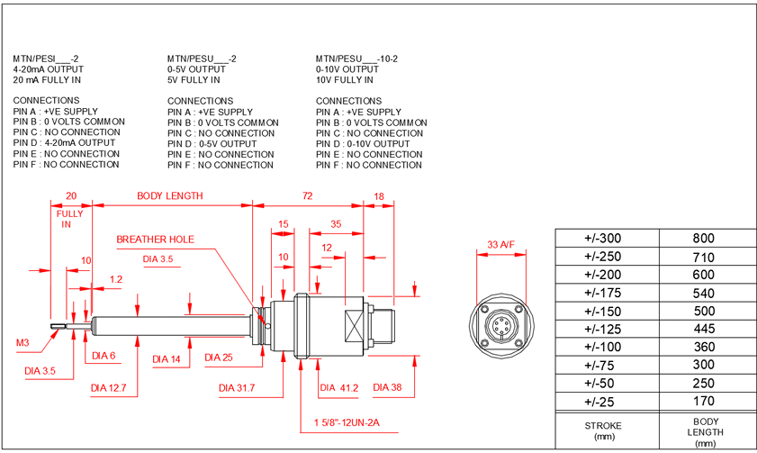
LVDT差動トランス/ミニチュアシリーズ
ミニチュアシリーズは、小型サイズのため、ロードセル、圧力トランスデューサー、計量システム、閉ループ制御などのスペースが限られているアプリケーションに最適です場合に最適です。コアの軽量化で、重量制限があるアプリケーションにも適用できます。
測定範囲は±0.25mmから±50mmまで、直線性は±0.5%未満です。高温対応(150℃)、直線性向上、プレーンコア&エクステンション、スプリングロードコア&エクステンションなどのオプションもご用意しています。出力はACに加え、DCバイポーラ、0~5V、0~10V、4~20mAのLVDTケーブルとインラインで接続可能な外付信号変換ボックス(MTN/8100シリーズ)をご用意しています。
ミニチュアシリーズ
AC出力LVDT差動トランス
スワイプしてご覧ください →
| コア&エクステンション種類 | ストローク(mm) |
|---|---|
| プレーンコア &エクステンション |
±0.25 ±0.5 ±1 ±2.5 ±3 ±5 ±12.5 ±15 ±25 ±50 |
| スプリングロードコア &エクステンション |
±0.25 ±0.5 ±1 ±2.5 ±3 ±5 ±12.5 ±15 ±25 ±50 |
| コア &ベアリングロッドエンド |
±0.25 ±0.5 ±1 ±2.5 ±5 ±12.5 ±25 ±50 |
| *例)±50は0-1100mmで計測可 |
スワイプしてご覧ください →
| 仕様表(テクニカル仕様) | スタンダード | オプション |
|---|---|---|
| 供給電源 | 5V RMS @ 3kHz | ー |
| 非直線性 | ±0.5% フルレンジ | ±0.25% フルレンジ |
| 再現性 | ±0.1% 以下 | ー |
| 出力感度 | 25~800 mV/V/fro(ストロークによる) | ー |
| 使用温度範囲 | -30℃~+85℃ | -30℃~+150℃(200℃) |
| 本体材質 | ステンレススチール | ー |
| 防水性 | IP55 | ー |
| ケーブル種類 |
4芯PVCケーブル 6芯PVCケーブル |
4芯PTFEケーブル(85℃~150℃または200℃) 6芯PTFEケーブル(85℃~150℃または200℃) |
| ケーブル長さ | 2m | 指定ケーブル長さ |
| ケーブル引き出し方向 | 本体後ろ方向から引き出し | 本体側面から引き出し |
工業用シリーズ DC出力LVDT差動トランス
寸法外形図/データシート
AC出力LVDT差動トランス用信号変換ユニットMTN/8100シリーズ
AC出力LVDT差動トランス用信号変換ユニットMTN/8100シリーズは、ケーブル間に設置するフライングタイプの信号変換ユニットです。
LVDT設置環境が高温や過酷な条件の場合は、LVDTケーブル引き出しから0.5m位置に信号変換ユニットを設置し、LVDTへの供給電源24VDCで信号出力0-5VDC、0-10VDC、4-20mADCの出力信号を得ることができます。
スワイプしてご覧ください →
| MTN/8100シリーズ型式 | 供給電源 | 信号出力 | 形状 | 備考 |
|---|---|---|---|---|
| MTN/8101 | 24VDC | 0-5VDC | 25×40×13mm |
フライングタイプポッティングボックス LVDTケーブル引き出しよりケーブル0.5m位置に設置 |
| MTN/8107 | 4-20mADC | |||
| MTN/8108 | 0-10VDC |
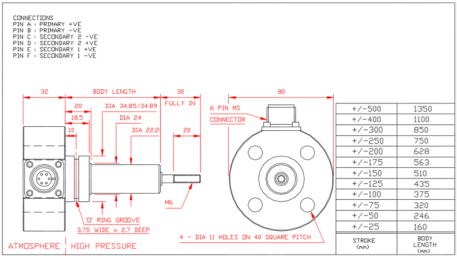
LVDT差動トランス/耐圧シリーズ
耐圧シリーズは、コアと内部アセンブリ間に最大6000 PSI(400 Bar)の圧力を許容するように設計されています。LVDTがシリンダー内のフィードバックループ信号源として機能する油圧アプリケーションで広く使用されています。
測定範囲は±25mmから±500mm(スリムタイプ±300mmまで)までで、直線性は±0.5%未満です。出力はAC、DCバイポーラ、0~5V、0~10V、4~20mAから選択可能です。
耐圧シリーズ AC出力LVDT差動トランス
スワイプしてご覧ください →
| 本体タイプ&エクステンション種類 | ストローク(mm) |
|---|---|
| スタンダードタイプ /プレーンコア&エクステンション |
±25 ±50 ±75 ±100 ±125 ±150 ±175 ±200 ±250 ±300 ±400 ±500 |
| スリムタイプ /プレーンコア&エクステンション |
±25 ±50 ±75 ±100 ±125 ±150 ±175 ±200 ±250 ±300 |
| *例)±50は0-1100mmで計測可 |
スワイプしてご覧ください →
| 仕様表(テクニカル仕様) | スタンダード | オプション |
|---|---|---|
| 供給電源 | 5V RMS @ 3kHz | ー |
| 非直線性 | ±0.5% フルレンジ | ±0.25% フルレンジ |
| 再現性 | ±0.1% 以下 | ー |
| 出力感度 | 50~460 mV/V/fro(ストロークによる) | ー |
| 使用温度範囲 | -30℃~+85℃ | -30℃~+150℃(250℃)*MSコネクター耐熱85℃まで |
| 本体材質 | ステンレススチール | ー |
| 防水性 | IP55 | ー |
| ケーブル種類 | 6芯PVCケーブル | 6芯PTFEケーブル(85℃~150℃または250℃) |
| ケーブル長さ | 2m | 指定ケーブル長さ |
| ケーブル引き出し方向 (6PIN MSコネクター接続) |
スタンダードタイプ:本体側面から引き出し スリムタイプ:本体後ろ方向から引き出し |
ー |
耐圧シリーズ AC出力LVDT差動トランス
寸法外形図/データシート
AC出力LVDT差動トランス用信号変換ユニットMTN/8100シリーズ
AC出力LVDT差動トランス用信号変換ユニットMTN/8100シリーズは、ケーブル間に設置するフライングタイプの信号変換ユニットです。
LVDT設置環境が高温や過酷な条件の場合は、LVDTケーブル引き出しから0.5m位置に信号変換ユニットを設置し、LVDTへの供給電源24VDCで信号出力0-5VDC、0-10VDC、4-20mADCの出力信号を得ることができます。
スワイプしてご覧ください →
| MTN/8100シリーズ型式 | 供給電源 | 信号出力 | 形状 | 備考 |
|---|---|---|---|---|
| MTN/8101 | 24VDC | 0-5VDC | 25×40×13mm |
フライングタイプポッティングボックス LVDTケーブル引き出しよりケーブル0.5m位置に設置 |
| MTN/8107 | 4-20mADC | |||
| MTN/8108 | 0-10VDC |
耐圧シリーズ DC出力LVDT差動トランス
スワイプしてご覧ください →
| 本体タイプ&エクステンション種類 | ストローク(mm) |
|---|---|
| スタンダードタイプ /プレーンコア&エクステンション |
±25 ±50 ±75 ±100 ±125 ±150 ±175 ±200 ±250 ±300 ±400 ±500 |
| スリムタイプ /プレーンコア&エクステンション |
±25 ±50 ±75 ±100 ±125 ±150 ±175 ±200 ±250 ±300 |
| *例)±50は0-1100mmで計測可 |
スワイプしてご覧ください →
| 仕様表(テクニカル仕様) | スタンダード | オプション |
|---|---|---|
| 供給電源 | 9-24VDC | ー |
| 非直線性 | ±0.5% フルレンジ | ±0.25% フルレンジ |
| 再現性 | ±0.1% 以下 | ー |
| 信号出力 |
バイポーラDC 0-5VDC 0-10VDC 4-20mADC |
ー |
| 使用温度範囲 | -30℃~+85℃ | ー |
| 本体材質 | 本体:軟鋼 / フランジ:ステンレススチール | ー |
| 防水性 | IP55 | ー |
| ケーブル種類 |
4芯PVCケーブル(バイポーラDC出力) 3芯PVCケーブル(0-5VDC, 0-10VDC, 4-20mADC出力) |
ー |
| ケーブル長さ | 2m | 指定ケーブル長さ |
| ケーブル引き出し方向 (6PIN MSコネクター接続) |
スタンダードタイプ:本体側面から引き出し スリムタイプ:本体後ろ方向から引き出し |
ー |
LVDT差動トランス/DCラボラトリーシリーズ
DCラボラトリーシリーズは、精度と使いやすさが重要な研究用途向けに、さまざまなモデルを提供しています。すべてのモデルには、要求されるDC出力を提供するための内部電子機器が備わっており、外部計測機器は不要です。
測定範囲は±2.5mmから±100mmまでで、コアタイプはプレーンコア&エクステンション、スピリングロードコア&エクステンション(ストロークは±75mmまで)を選択できます。直線性は±0.5%未満で、出力はDCバイポーラ、0~5V、0~10V、4~20mAを用意しています。
スワイプしてご覧ください →
| コア&エクステンション種類 | 信号出力 | ストローク(mm) |
|---|---|---|
| プレーンコア&エクステンション | バイポーラDC | ±2.5 ±5 ±12.5 ±25 ±50 ±75 |
| 0-5VDC、0-10VDC、4-20mADC | ±2.5 ±5 ±12.5 ±25 ±50 ±75 ±100 | |
| スプリングロードコア&エクステンション | バイポーラDC | ±2.5 ±5 ±12.5 ±25 ±50 ±75 |
| 0-5VDC、0-10VDC、4-20mADC | ±2.5 ±5 ±12.5 ±25 ±50 ±75 |
スワイプしてご覧ください →
| 仕様表(テクニカル仕様) | スタンダード | オプション |
|---|---|---|
| 供給電源 | 12V または 24VDC | ー |
| 非直線性 | ±0.5% フルレンジ | ±0.25% フルレンジ |
| 再現性 | ±0.1% 以下 | ー |
| 信号出力 |
バイポーラDC 0-5VDC 0-10VDC 4-20mADC |
ー |
| 使用温度範囲 | -30℃~+85℃ | ー |
| 本体材質 | ステンレススチール | ー |
| 防水性 | IP55 | ー |
| ケーブル種類 |
4芯PVCケーブル(バイポーラDC出力) 3芯PVCケーブル(0-5VDC, 0-10VDC, 4-20mADC出力) |
ー |
| ケーブル長さ | 2m | 指定ケーブル長さ |
| ケーブル引き出し方向 | 本体後ろ方向から引き出し | 本体側面から引き出し |
Calibration
製品検査成績書について
各LVDT差動トランスシステムは個別にテストされ、署名と日付が記された検査成績書を添付して出荷されます。LVDT差動トランスは精密位置決め治具に取り付けられ、電子的にNULポイントが決定されます。その後、出力は範囲全体にわたって10点で測定され、成績書に記載されている非直線性を達成するように電子的に調整されます。非直線性は通常0.5%未満ですが、オプションにて、一部のモデルでは0.25%まで低減可能です。
Warranty
製品保証
すべての製品は、検査成績書記載の日付から24ヶ月間、材質および製造上の欠陥に対して保証されます。検査成績書日付から24ヶ月以内に故障が発生した場合、Monitranは欠陥のある製品を速やかに無償で修理または交換いたします。
この保証は、Monitran以外により修理が行われた場合、製品が本来の目的以外で使用された場合、乱用または故意の放置が行われた場合、またはユーザーが製品の安全を確保するための十分な予防措置を講じなかった場合には無効となります。
製品または部品の紛失については、一切の責任を負いません。

※記載内容および製品仕様は予告なく変更する場合がありますのでご了承ください。


















