
Products
Eddy Current Probes and Drivers
渦電流プローブ/専用ドライバー
渦電流変位センサーは、導電性ターゲットの位置を高解像度で測定できる非接触式デバイスです。渦電流プローブは熱安定性のあるプラスチック製の先端部で構成されており、専用ドライバーユニットに接続すると高周波振動を発生させ、ターゲット材料に渦電流を誘起します。
ターゲットに誘起される渦電流、ひいては振動振幅はプローブのギャップに比例します。(プローブ先端の基準コイルによって生成される磁場の変動を感知することで、ターゲットまでの距離を検出します。)
渦電流ドライバーユニットには、渦電流プローブを駆動する高周波発振器が内蔵されています。
ユニット内部の整流回路と線形回路は、渦電流プローブからの発振電圧をギャップに比例した直流電圧に変換します。専用ドライバーユニットは+24V DC(または-24V)電源で動作し、電源0Vに対して正の電圧を出力します。この直流電圧は、既知の材質(ステンレス鋼)のターゲットからプローブを正しい距離に設定するために使用できます。
概 要
渦電流プローブは、ギャップ調整を容易にするためにネジ付きステンレス鋼ロッドに取り付けられるか、またはフラットで薄型のマウントに取り付けられます。1mの編組同軸ケーブルが付属しています。動作温度範囲は180℃です。動作ギャップは先端径によって異なります。あらゆる専用ドライバーと併用できます。
電流出力ドライバーは、測定対象物に正比例する4~20mAの出力を供給し、PLCやその他の産業用コントローラに直接接続できます。あらゆるタイプのプローブと併用できます。

Eddy Current Probes
Monitran 渦電流プローブは、油、汚れ、埃、水による汚染に耐性があり、次のような幅広い用途に使用されます。
- ポンプ
- タービン
- 機械要素のDCギャップ
- プレーンベアリング
- 遠心分離機
Monitranの渦電流プローブには、標準で1mの一体型専用ケーブルが付属します。このケーブルは、ETFE絶縁材(内部に銅編組、上部にステンレス鋼編組)で構成された同軸ケーブルです。延長ケーブル(同じ特性)は、オプションで最大8mまで、専用ケーブル長さ最大9mで供給されます。
渦電流プローブ型式一覧
スワイプしてご覧ください →
| 型式 | 感度 | 直線性レンジ | 備考 |
|---|---|---|---|
| MTN/EP080 | 8.0mV/µm nominal | 0 – 2mm | プレーンベアリングを備えた高速ポンプ用の最も一般的なプローブ |
| MTN/EP200 | 3.6mV/µm nominal | 0 – 5mm | より粗い振動を測定 |
| MTN/EP200F | 3.6mV/µm nominal | 0 – 5mm | より粗い振動を測定 / プローブ本体材質は熱安定性プラスチック製PEEK樹脂 |
| MTN/EP340 | 2.0mV/µm nominal | 0 – 8.5mm | 一般的な精密ギャップ測定 |
| MTN/EP340F | 2.0mV/µm nominal | 0 – 8.5mm | 一般的な精密ギャップ測定 / ステンレス鋼ケース+PEEK樹脂 |
| MTN/EP480 | 1.4mV/µm nominal | 0 – 12mm | 最も広いギャップ能力 |
| MTN/EPHD080 | 8.0mV/µm nominal | 0 – 2mm | 一体型プローブ内蔵の堅牢なIP65準拠鋳造アルミ製ドライバーハウジング |
渦電流プローブ
MTN/EP080
最大 2 mm の小さな振動レベルとギャップを測定できる、プレーンベアリングを備えた高速ポンプ用の最も一般的なプローブです。
仕様表
- データシート
- ds04930j
スワイプしてご覧ください →
| 型式 | MTN/EP080 |
|---|---|
| 供給電源 | -24VDC@30mA |
| 感度 | 8mV/µm nominal |
| 出力インピーダンス | <50 Ohms |
| 直線性レンジ | 0 – 2mm |
| 直線性 | 1% nominal |
| 周波数レンジ | DC to 10 kHz |
| 使用温度範囲 | プローブ:-30~+180℃ / ドライバー:-20~+80℃ |
| 温度影響感度 | プローブ:5%以下@+150℃ / ドライバー:5%以下@+80℃ |
| プローブ形状 | 長さ36mm / 径φ6mm / ネジ規格 M8 オス |
| プローブ先端材質 | PEEK樹脂 |
| プローブ本体(ケース)材質 | ステンレススチール |
| ケーブル | RG179 PTFE insulated |
| ケーブル長さ | 標準1m(オプション最長8m) |
| ケーブル品番(延長オプション) | MTN/EX00□(□部に指定ケーブル長さを記載) |
| 校正材質 | Steel grade AISI 4140 |
MTN/EP200
より粗い振動を測定するために使用。
仕様表
- データシート
- ds04920j
スワイプしてご覧ください →
| 型式 | MTN/EP200 |
|---|---|
| 供給電源 | -24VDC@30mA |
| 感度 | 3.6mV/µm nominal |
| 出力インピーダンス | <50 Ohms |
| 直線性レンジ | 0 – 5mm |
| 直線性 | 1% nominal |
| 周波数レンジ | DC to 10 kHz |
| 使用温度範囲 | プローブ:-30~+180℃ / ドライバー:-20~+80℃ |
| 温度影響感度 | プローブ:5%以下@+150℃ / ドライバー:5%以下@+80℃ |
| プローブ形状 | 長さ62mm / 径φ13mm / ネジ規格 M16 オス |
| プローブ先端材質 | PEEK樹脂 |
| プローブ本体(ケース)材質 | ステンレススチール |
| ケーブル | RG179 PTFE insulated |
| ケーブル長さ | 標準1m(オプション最長8m) |
| ケーブル品番(延長オプション) | MTN/EX00□(□部に指定ケーブル長さを記載) |
| 校正材質 | Steel grade AISI 4140 |
MTN/EP200F
MTN/EP200と同仕様。プローブ本体(ケース)材質は、熱安定性プラスチック製のPEEK樹脂を使用。
仕様表
- データシート
- ds05480j
スワイプしてご覧ください →
| 型式 | MTN/EP200F |
|---|---|
| 供給電源 | -24VDC@30mA |
| 感度 | 3.6mV/µm nominal |
| 出力インピーダンス | <50 Ohms |
| 直線性レンジ | 0 – 5mm |
| 直線性 | 1% nominal |
| 周波数レンジ | DC to 10 kHz |
| 使用温度範囲 | プローブ:-30~+180℃ / ドライバー:-20~+80℃ |
| 温度影響感度 | プローブ:5%以下@+150℃ / ドライバー:5%以下@+80℃ |
| プローブ形状 | 下図参照 |
| プローブ先端材質 | PEEK樹脂 |
| プローブ本体(ケース)材質 | PEEK樹脂 |
| ケーブル | RG179 PTFE insulated |
| ケーブル長さ | 標準1m(オプション最長8m) |
| ケーブル品番(延長オプション) | MTN/EX00□(□部に指定ケーブル長さを記載) |
| 校正材質 | Steel grade AISI 4140 |
MTN/EP340
一般的な精密ギャップ測定に使用。
仕様表
- データシート
- ds04910j
スワイプしてご覧ください →
| 型式 | MTN/EP340 |
|---|---|
| 供給電源 | -24VDC@30mA |
| 感度 | 2mV/µm nominal |
| 出力インピーダンス | <50 Ohms |
| 直線性レンジ | 0 – 8.5mm |
| 直線性 | 1% nominal |
| 周波数レンジ | DC to 10 kHz |
| 使用温度範囲 | プローブ:-30~+180℃ / ドライバー:-20~+80℃ |
| 温度影響感度 | プローブ:5%以下@+150℃ / ドライバー:5%以下@+80℃ |
| プローブ形状 | 長さ75mm / 径φ20mm / ネジ規格 M24 オス |
| プローブ先端材質 | PEEK樹脂 |
| プローブ本体(ケース)材質 | ステンレススチール |
| ケーブル | RG179 PTFE insulated |
| ケーブル長さ | 標準1m(オプション最長8m) |
| ケーブル品番(延長オプション) | MTN/EX00□(□部に延長ケーブル長さを記載) |
| 校正材質 | Steel grade AISI 4140 |
MTN/EP340F
MTN/EP340と同仕様。プローブ本体(ケース)材質は、ステンレス鋼製のケースに収められた熱安定性プラスチックのPEEK樹脂で構成。
仕様表
- データシート
- ds05470j
スワイプしてご覧ください →
| 型式 | MTN/EP340 |
|---|---|
| 供給電源 | -24VDC@30mA |
| 感度 | 2mV/µm nominal |
| 出力インピーダンス | <50 Ohms |
| 直線性レンジ | 0 – 8.5mm |
| 直線性 | 1% nominal |
| 周波数レンジ | DC to 10 kHz |
| 使用温度範囲 | プローブ:-30~+180℃ / ドライバー:-20~+80℃ |
| 温度影響感度 | プローブ:5%以下@+150℃ / ドライバー:5%以下@+80℃ |
| プローブ形状 | 長さ75mm / 径φ20mm / ネジ規格 M24 オス |
| プローブ先端材質 | PEEK樹脂 |
| プローブ本体(ケース)材質 | ステンレススチール |
| ケーブル | RG179 PTFE insulated |
| ケーブル長さ | 標準1m(オプション最長8m) |
| ケーブル品番(延長オプション) | MTN/EX00□(□部に延長ケーブル長さを記載) |
| 校正材質 | Steel grade AISI 4140 |
MTN/EP480
最も広いギャップ能力
仕様表
- データシート
- ds04900j
スワイプしてご覧ください →
| 型式 | MTN/EP480 |
|---|---|
| 供給電源 | -24VDC@30mA |
| 感度 | 1.4mV/µm nominal |
| 出力インピーダンス | <50 Ohms |
| 直線性レンジ | 0 – 12mm |
| 直線性 | 1% nominal |
| 周波数レンジ | DC to 10 kHz |
| 使用温度範囲 | プローブ:-30~+180℃ / ドライバー:-20~+80℃ |
| 温度影響感度 | プローブ:5%以下@+150℃ / ドライバー:5%以下@+80℃ |
| プローブ形状 | ※仕様未提供(必要なら追記します) |
| プローブ先端材質 | PEEK樹脂 |
| プローブ本体(ケース)材質 | ステンレススチール |
| ケーブル | RG179 PTFE insulated |
| ケーブル長さ | 標準1m(オプション最長8m) |
| ケーブル品番(延長オプション) | MTN/EX00□(□部に延長ケーブル長さを記載) |
| 校正材質 | Steel grade AISI 4140 |
MTN/EPHD080
高耐久性渦電流プローブシステムは、過酷な産業環境から最大限の保護性能を発揮するよう設計されています。一体型プローブを内蔵した堅牢なIP65準拠の鋳造アルミニウム製ドライバーハウジング。必要な挿入深度に合わせて調整可能なステンレススチール製プローブスリーブを備え、プローブは再校正なしで交換可能です。特に、ポンプやタービンの推力または振動測定に適しています。
仕様表
- データシート
- ds05490j
スワイプしてご覧ください →
| 型式 | MTN/EPHD080 |
|---|---|
| 供給電源 | -24VDC@30mA |
| 感度 | 8mV/µm nominal |
| 出力インピーダンス | <50 Ohms |
| 直線性レンジ | 0 – 2mm |
| 直線性 | 1% nominal |
| 周波数レンジ | DC to 10 kHz |
| 使用温度範囲 | プローブ:-30~+180℃ / ドライバー:-20~+80℃ |
| 温度影響感度 | プローブ:5%以下@+150℃ / ドライバー:5%以下@+80℃ |
| プローブ形状 | 一体型プローブ内蔵の鋳造アルミニウム製ドライバーハウジング(IP65準拠) |
| プローブ先端材質 | PEEK樹脂 |
| プローブ本体(ケース)材質 | 鋳造アルミニウム(IP65) |
| ケーブル | RG179 PTFE insulated |
| ケーブル長さ | 標準1m(オプション最長8m) |
| ケーブル品番(延長オプション) | MTN/EX00□(□部に延長ケーブル長さを記載) |
| 校正材質 | Steel grade AISI 4140 |
延長ケーブルMTN/EX00□(□部に指定ケーブル長さを記載)
渦流プローブには標準1mの一体型ケーブル、最大8mの延長ケーブルを追加することで9mまで延長できます。ただし、ケーブルが長いと、ギャップ設定時にケーブルを回転させる必要があるため、設置に問題が生じることがあります。その場合は、ねじ込み式の延長ケーブルの使用をお勧めします。ただし、延長ケーブルを使用してシステムを製造・校正すると、同等の長さのケーブルとの交換または更新しかできず、システムの再校正が必要になります。
- ケーブルタイプ:Coaxial, ETFE insultaion, copper braid
- 外装被覆:ステンレススチール
- 最大延長長さ8m(ケーブル最大長さ9m)
- コネクター:SMC
Eddy Current Drivers
Monitranでは、渦電流プローブと組み合わせることで、対象物とプローブ先端の隙間、または対象物内部の振動を測定するための非接触測定システムを構成する、幅広い渦電流プローブドライバーを取り揃えています。
各ドライバーは、渦電流プローブからの信号を復調、増幅、線形化する高度な技術です。その結果、プローブと対象物間の正確な隙間を反映、または対象物自体の振動を捉えた出力が得られます。
渦電流プローブと専用ドライバーの最も一般的な組み合わせは、MTN/EP080(プローブ)とMTN/ECPD(ドライバー)です。Monitranでは7機種の渦電流プローブドライバーをご用意しております。
渦電流プローブ専用ドライバー型式一覧表
スワイプしてご覧ください →
| 型式 | 供給電源 | 電圧出力 | 電流出力 | 備考 |
|---|---|---|---|---|
| MTN/ECPD24V | +24VDC@35mA 最大リップル1% | 0–16VDC | ー | ギャップ計測 |
| MTN/ECPD-24V | +24VDC@35mA 最大リップル1% | 0–16VDC | ー | ギャップ計測 |
| MTN/ECPD/78 | +24VDC@35mA 最大リップル1% | 0–10VDC | ー | ギャップ計測 |
| MTN/ECPD/60 | +24V @ 80mA max | 0–16VDC | 4–20mADC | 振動計測 |
| MTN/ECPD/85 | +24V @ 80mA max | 0–16VDC | 4–20mADC | ギャップ計測 |
| MTN/ECPD2-AC | 24VDC ±4V | 0–16VDC | 4–20mADC | ギャップ計測(電圧出力) / 振動計測(電流出力) |
| MTN/ECPD2-DC | 24VDC ±4V | ー | 4–20mADC | ギャップ計測(電流出力) |
渦電流プローブ専用ドライバー
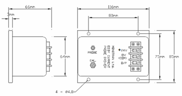
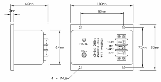
MTN/ECPD24V
+24VDC 電源に適した電圧出力ドライバー、電圧出力0-16VDC
仕様表
- データシート
- ds05060j
スワイプしてご覧ください →
| 型式 | MTN/ECPD24V |
|---|---|
| 直線性レンジ |
MTN/EP0800.1mm ~ 2mm MTN/EP2000.25mm ~ 5mm MTN/EP3400.4mm ~ 8.5mm MTN/EP4800.6mm ~ 12mm |
| 供給電源 | +24VDC@35mA 最大リップル1% |
| 電圧出力感度 |
MTN/EP0808.0 Volts/mm MTN/EP2003.6 Volts/mm MTN/EP3402.0 Volts/mm MTN/EP4801.5 Volts/mm |
| 出力インピーダンス | <50 Ohms |
| 直線性 | ±1% of full range |
| 周波数レンジ | AC Vibration(5Hz – 1kHz) |
| 使用温度範囲 | -20 ~ +80℃ |
| ケーブル接続 |
プローブ側‐SMC接続 電源供給/電圧出力側‐M4ネジターミナル |
| ドライバー形状 | 縦116mm / 横85mm / 高さ66mm |
| ドライバー重量 | 450g |
| ドライバー(本体)材質 | アルミダイキャスト |
MTN/ECPD-24V
他社製コントローラとの整合に必要な場合、負電源用の-24VDC供給電源仕様、電圧出力0-16VDC
仕様表
- データシート
- ds05070j
スワイプしてご覧ください →
| 型式 | MTN/ECPD-24V |
|---|---|
| 直線性レンジ |
MTN/EP0800.1mm ~ 2mm MTN/EP2000.25mm ~ 5mm MTN/EP3400.4mm ~ 8.5mm MTN/EP4800.6mm ~ 12mm |
| 供給電源 | +24VDC@35mA 最大リップル1% |
| 電圧出力感度 |
MTN/EP0808.0 Volts/mm MTN/EP2003.6 Volts/mm MTN/EP3402.0 Volts/mm MTN/EP4801.5 Volts/mm |
| 出力インピーダンス | <50 Ohms |
| 直線性 | ±1% of full range |
| 周波数レンジ | AC Vibration(5Hz – 1kHz) |
| 使用温度範囲 | -20 ~ +80℃ |
| ケーブル接続 |
プローブ側‐SMC接続 電源/電圧出力側‐M4ネジターミナル |
| ドライバー形状 | 縦116mm / 横85mm / 高さ66mm |
| ドライバー重量 | 450g |
| 材質 | アルミダイキャスト |
MTN/ECPD/78
供給電源+24V、プローブのギャップに比例し電圧出力0-10VDC
仕様表
- データシート
- ds09990j
スワイプしてご覧ください →
| 型式 | MTN/ECPD/78 |
|---|---|
| 直線性レンジ |
MTN/EP0800.1mm ~ 2mm MTN/EP2000.25mm ~ 5mm MTN/EP3400.4mm ~ 8.5mm MTN/EP4800.6mm ~ 12mm |
| 供給電源 | +24VDC@35mA 最大リップル1% |
| 電圧出力感度 |
MTN/EP0805.0 Volts/mm MTN/EP2002.0 Volts/mm MTN/EP3401.18 Volts/mm MTN/EP4800.83 Volts/mm |
| 出力インピーダンス | <50 Ohms |
| 直線性 | ±1% of full range |
| 周波数レンジ | AC Vibration(5Hz – 1kHz) |
| 使用温度範囲 | -20 ~ +80℃ |
| ケーブル接続 |
プローブ側‐SMC接続 電源供給/電圧出力側‐M4ネジターミナル |
| ドライバー形状 | 縦116mm / 横85mm / 高さ66mm |
| ドライバー重量 | 450g |
| ドライバー(本体)材質 | アルミダイキャスト |
MTN/ECPD/60
MTN/ECPD/60ユニットは、MTN/EPシリーズ渦電流プローブと組み合わせることで、回転軸のラジアル振動を監視するために設計された3線式非接触計測システムです。
ドライバーは24V DC電源で駆動し、振動振幅に比例した4~20mAの信号を出力します。
仕様表
- データシート
- ds04890j
スワイプしてご覧ください →
| 型式 | MTN/ECPD/60 |
|---|---|
| 振動計測レンジ | MTN/EP0800 to 125 µm peak to peak |
| 電流出力 | 4-20mADC |
| 供給電源 | +24VDC @ 80 mA max |
| 電圧出力感度 |
MTN/EP0808.0 Volts/mm MTN/EP2003.6 Volts/mm MTN/EP3402.0 Volts/mm MTN/EP4801.5 Volts/mm |
| 最大ループ抵抗 | Rmax = 800Ω |
| 直線性 | ±1% of full range |
| 周波数レンジ | AC Vibration (5Hz – 1kHz) |
| 使用温度範囲 | -20~+80℃ |
| ケーブル接続 |
プローブ側‐SMC接続 電源供給/電圧出力側‐M4ネジターミナル |
| ドライバー形状 | 縦116mm / 横84mm / 高さ67mm |
| ドライバー重量 | 450g |
| ドライバー(本体)材質 | アルミダイキャスト |
MTN/ECPD/85
MTN/ECPD/85ユニットは、MTN/EPシリーズ渦流プローブと組み合わせることで、回転軸の軸方向変位をモニタリングする3線式非接触計測システムです。
ドライバは24V DC電源から駆動し、プローブと軸間のギャップに比例した4~20mAの信号を出力します。
仕様表
- データシート
- ds04880j
スワイプしてご覧ください →
| 型式 | MTN/ECPD/85 |
|---|---|
| 直線性レンジ |
MTN/EP0800.1mm to 2mm MTN/EP2000.25mm to 5mm MTN/EP3400.4mm to 8.5mm MTN/EP4800.6mm to 12mm |
| 電流出力 | 4-20mADC |
| 供給電源 | +24V @ 80 mA max |
| 電圧出力感度 |
MTN/EP0808.0 Volts/mm MTN/EP2003.6 Volts/mm MTN/EP3402.0 Volts/mm MTN/EP4801.5 Volts/mm |
| 最大ループ抵抗 | Rmax = 800Ω |
| 直線性 | ±1% of full range |
| 周波数レンジ | AC Vibration (5Hz – 1kHz) |
| 使用温度範囲 | -20~+80℃ |
| ケーブル接続 |
プローブ側‐SMC接続 電源供給/電圧出力側‐M4ネジターミナル |
| ドライバー形状 | 縦116mm / 横85mm / 高さ66mm |
| ドライバー重量 | 450g |
| ドライバー(本体)材質 | アルミダイキャスト |
MTN/ECPD2-AC
MTN/ECPD-2ACドライバユニットとMTN/EP080渦電流プローブシステムは、回転軸のラジアル振動をモニタリングします。振動振幅に比例したループ電源による4~20mAの信号(標準範囲:0~125µmp-p)を出力します。ギャップに比例したDC電圧出力(感度:8V/mm)も提供します。
仕様表
- データシート
- ds04950j
スワイプしてご覧ください →
| 型式 | MTN/ECPD2-AC |
|---|---|
| 振動計測レンジ | MTN/EP0800 to 125 µm peak to peak |
| 電流出力 | 4-20mADC |
| 供給電源 | +24VDC ±4V |
| 電圧出力感度 | MTN/EP0808.0 Volts/mm |
| 最大ループ抵抗 | Rmax = 50(Vs-16)Ω |
| 直線性 | ±1% of full range |
| 周波数レンジ | AC Vibration (5Hz – 1kHz) |
| 使用温度範囲 | -20~+80℃ |
| ケーブル接続 |
プローブ側SMC接続 電源供給/電流出力側M4ネジターミナル 電圧出力側BNC接続 |
| ドライバー形状 | 縦116mm / 横75mm / 高さ67mm |
| ドライバー重量 | 450g |
| ドライバー(本体)材質 | アルミダイキャスト |
MTN/ECPD2-DC
MTN/ECPD-2DCドライバユニットとMTN/EP080渦電流プローブシステムは、回転軸の軸方向変位をモニタリングします。プローブとシャフト間のギャップに比例したループ電源による4~20mAの信号を、0~2mmの範囲で提供します。このユニットでは、ギャップに比例した電圧出力の感度は6V/mmです。
仕様表
- データシート
- ds04960j
スワイプしてご覧ください →
| 型式 | MTN/ECPD2-DC |
|---|---|
| 振動計測レンジ | MTN/EP0804-20mADC = 2mmギャップ |
| 電流出力 | 4-20mADC(2線式ループ) |
| 供給電源 | +24VDC ±4V |
| 電圧出力感度 | MTN/EP0806.0 Volts/mm |
| 最大ループ抵抗 | Rmax = 50(Vs-16)Ω |
| 直線性 | ±1% of full range |
| 周波数レンジ | AC Vibration (5Hz – 1kHz) |
| 使用温度範囲 | -20~+80℃ |
| ケーブル接続 |
プローブ側SMC接続 電源供給/電流出力側M4ネジターミナル 電圧出力側BNC接続 |
| ドライバー形状 | 縦116mm / 横75mm / 高さ67mm |
| ドライバー重量 | 450g |
| ドライバー(本体)材質 | アルミダイキャスト |
Calibration
製品検査成績書について
渦電流プローブ/専用ドライバー
近接システムは、渦電流プローブ、延長ケーブル、および専用ドライバーで構成され、これらはすべて個別に試験され、署名および日付入りの検査成績書とともに出荷されます。
センサーは、ポンプやタービンシャフトに使用される材料として一般的なANSI4140標準炭素鋼サンプルに対して校正されています。プローブとターゲット間の距離は、精密位置決め治具で変化させながら、ドライバの電子回路を調整することで、動作範囲全体にわたって1%未満の非直線性性を確保します。
使用に際しては、他材料をターゲットとして使用すると、この一次校正とは感度および直線性に差が生じます。
ただし、オプションにて、用意いただいたターゲット材料に対して校正を行うことも可能です。その場合、プローブの直線動作範囲は、ターゲット材料の透磁率および抵抗率によって変化する点にご留意ください。
各システムは、組み立ておよび校正後、部品の互換性のない単一ユニットとして扱う必要があります。同じ測定範囲のプローブ、同じ長さの延長ケーブル、そして同一のドライバは物理的に交換可能ですが、システム出力は変化するため、システムが保護する機械の安全性を維持するために再校正が必要となります。高度な校正設備が現地にない限り、システム全体をMonitranに返却し再校正する必要があります。
システムの1つの要素に損傷が発生した場合、Monitranは機械の安全性を維持するために、システム全体をできるだけ早く交換することを推奨します。ご希望の場合、また可能であれば、元の機器を調査、修理、再校正のために返却し、将来の故障に備えて予備品として返却することも可能です。
Warranty
製品保証
すべての製品は、検査成績書記載の日付から24ヶ月間、材質および製造上の欠陥に対して保証されます。検査成績書日付から24ヶ月以内に故障が発生した場合、Monitranは欠陥のある製品を速やかに無償で修理または交換いたします。
この保証は、Monitran以外により修理が行われた場合、製品が本来の目的以外で使用された場合、乱用または故意の放置が行われた場合、またはユーザーが製品の安全を確保するための十分な予防措置を講じなかった場合には無効となります。
製品または部品の紛失については、一切の責任を負いません。

※記載内容および製品仕様は予告なく変更する場合がありますのでご了承ください。